解读固态硬盘中闪存颗粒数量变少之谜
关于东芝:
存储密度不光要看闪存颗粒数量,因为每个闪存颗粒内部可能封装了多个上图晶圆中切割而来的小晶粒(Die)。通过叠Die,每个闪存颗粒中可以封装进1到8个不等的晶粒,而闪存颗粒的容量也将是这些晶粒的综合。

在今年CES大展上东芝宣布了新一代主流级NVMe固态硬盘——RC100,通过将主控制器与闪存芯片合并封装,只需一颗芯片即可提供固态硬盘的全部功能以及最高512GB的存储容量。
2018年,东芝还将推出第四代BiCS闪存,实现96层堆叠以及QLC类型闪存的引入,届时单Die容量将可达到768Gb,单个闪存颗粒即可提供高达1.5TB存储容量。



东芝于1987年发明了NAND闪存,并且率先于1991年开始量产该产品,开创了闪存世界。2007年,东芝首次宣布三维闪存堆叠技术:BiCS Flash。
从外观上看,Q200在闪存颗粒数量减少后留下的空焊位看起来不如过去美观、饱满,不过这却是技术进步的结果:闪存存储密度翻倍增长,只需更少的闪存颗粒就能实现同样的容量。


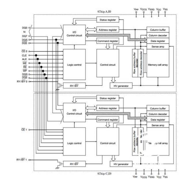
在使用BGA封装时,闪存颗粒中的多个Die还可以拥有独立CE信号,有助于提升性能表现。
在最新一代64层堆叠BiCS闪存技术中,东芝将平面扩展的闪存改为立体形式,存储密度进一步提升。



东芝BiCS3闪存的存储密度为单Die 256/512Gb,这意味着达到过去同样的容量只需更少数量的闪存晶粒,同等封装形式下256GB容量级固态硬盘所需的闪存颗粒数量还将继续下降。
尽管Q200 240G只使用了四颗闪存颗粒,却依然能够用满主控的8个闪存通道,不会出现性能缩减。

经常关注固态硬盘的朋友们可能会知道,固态硬盘中的闪存颗粒数量正在逐渐减少。以前贴满双面16颗粒的情况很普遍,而现在通常只有2到4个颗粒,甚至还有只用单个闪存颗粒的极端情况。
作为Q Pro的继任者,有MLC SSD常青树美名的Q200 240G中使用了4颗闪存颗粒,每个闪存颗粒的容量是64GB,由于增加了OP预留空间,实际可用为240GB。

拆开经典的东芝Q Pro 256G,,当年的它使用了8颗闪存颗粒来实现256GB容量,每个颗粒的容量是32GB。

